本站
  • 本站
  • 站群
  • 首页
  • 组织人事
  • 政务公开
    • 党建工作
    • 环境质量
  • 政民互动
  • 法律标准
  • 专题专栏
  • 当前位置:
  • 首页 >> 政务公开 >> 环境质量

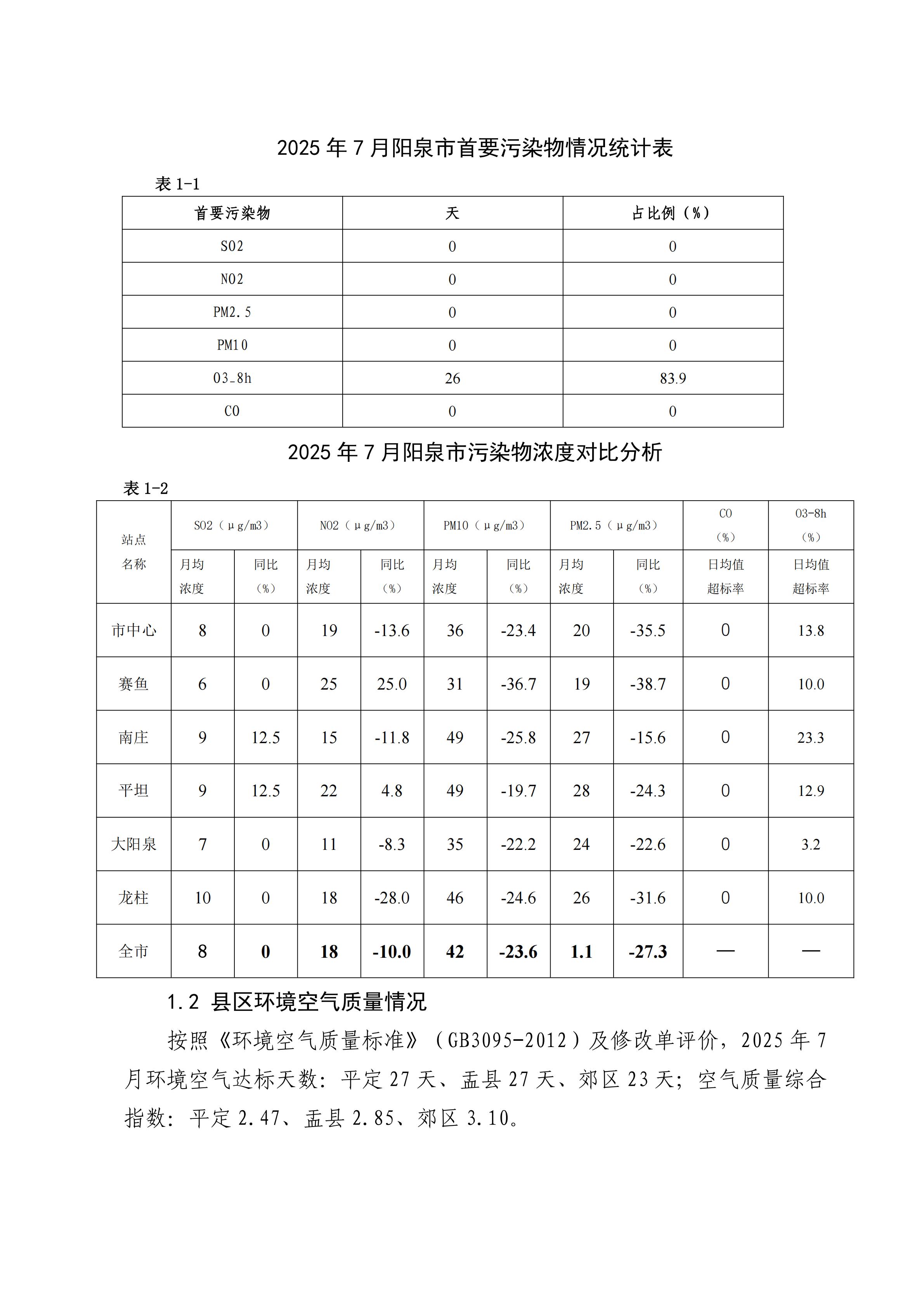
2025年7月阳泉市环境质量月报

  • 时间:2025-08-19 10:25 来源:山西阳泉生态环境监测中心
  • 打印 字体: 放大 正常 缩小



责任编辑:

相关稿件:

  • 主办:阳泉市生态环境局 © 联系方式:2033065网站地图

    网站标识码:1403000042晋ICP备05007173号 晋公网安备 14030202000280号